|
|
CELLE DI CARICO BENDING BEAM SERIE FXL
|
|
| |
|
|
|
|
 |  |  | Collegamenti Cella |
|  | Wiring Code | | Colour | Function | | -- | SHIELD | | BLACK | SIG + | | RED | EXC + | | GREEN | SIG - | | WHITE | EXC - |
|
|
|
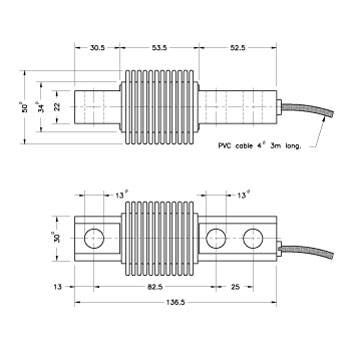
Celle di carico a flessione per pesatura omologata, sistemi automatici, dosaggio. Dimensioni maggiorate rispetto agli altri modelli a flessione, con distanza interasse dei fori pari a 1 pollice (25,4 mm).
PORTATE (kg): 30, 50, 100, 250.
OIML R60. Classe di precisione C3.
Acciaio INOX. Grado di protezione IP68/IP69K.
 |  |  | CARATTERISTICHE TECNICHE |
|  | - Minimo intervallo di verifica: Vmin = EMax / 10.000
- Sensibilità: 2mV/V ± 0,1%
- Errore combinato: 0,017% del fondo scala (F.S.)
- Ripetibilità: ± 0,015% F.S.
- Effetto della temperatura sullo zero: ± 0,002% /°C
- Effetto della temperatura sul fondo scala: ± 0,0012% /°C
- Compensazione termica: –10°C/+40°C
- Campo di temperatura di lavoro: –30°C/+70°C
- Creep a carico nominale dopo 30 minuti: ± 0,016% F.S.
- Alimentazione: 10-15 VDC
- Resistenza di ingresso: 400 ± 20 Ohm
- Resistenza di uscita: 350 ± 3 Ohm
- Resistenza di isolamento: > 5000 MOhm
- Carico statico massimo: 150% F.S. *
- Carico di rottura: 200% F.S. *
- Deflessione a carico nominale: 0,2-0,4 mm
- Cavo schermato 4 poli, lunghezza 3m, diametro 4mm.
* Riferito all'utilizzo combinato con i kit di montaggio proposti da Dini Argeo.
|
|
|
Versioni disponibili
| | Codice | Max (kg) |
| FXL30  | 30 |
| FXL50  | 50 |
| FXL100  | 100 |
| FXL250  | 250 |
Cavi di collegamento
| | Codice | Descrizione |
| LCCB a> | Cavo schermato 6x0,25 mm² (idoneo per zone Ex). Guaina interna in PVC. Schermatura a treccia in rame stagnato. Guaina esterna in PVC, diametro 5,8mm. Temperatura di utilizzo: -40 / +80 °C. Raggio di curvatura minimo >/= 6 x O.D. €/m. Lunghezza massima ordinabile: 100 m (lunghezze maggiori disponibili solo su richiesta). |
| LCCBA a> | Cavo armato 6x0,25 mm² (idoneo per zone Ex). Guaina interna in PVC, diametro 5mm. Armatura in lega di ferro e zinco. Guaina esterna in PVC trasparente, diametro 8mm. Temperatura di utilizzo: -15 / +70 °C. Raggio di curvatura minimo >/= 5 x O.D. €/m. Lunghezza massima ordinabile: 100 m (lunghezze maggiori disponibili solo su richiesta). |
| LCCBM6 a> | Cavo schermato 6x0,34 mm² per applicazioni in movimento. €/m. Lunghezza massima ordinabile: 100 m (lunghezze maggiori disponibili solo su richiesta). |
| PRCB | Guaina di protezione per cavo schermato. €/metro Ø interno 15mm. Lunghezza massima ordinabile: 100 m (lunghezze maggiori disponibili solo su richiesta). |
Scatole di giunzione
| | Codice | Descrizione |
| JB4Q a> | Scatola di equalizzazione fino a 4 celle di carico. Involucro in ABS, grado di protezione IP67, con 4 + 1 pressa cavi. |
| JB4QI a> | Scatola di equalizzazione INOX fino a 4 celle di carico. Grado di protezione IP65, con 4 + 1 pressa cavi. |
| JC4Q a> | Scheda di equalizzazione fino a 4 celle di carico. Con PCB, morsetti, scatola in plastica ed etichette con marcatura UL (se presenti). |
Trasmettitori/Indicatori di peso correlati
| | Codice | Descrizione |
| DGT1S a> | Trasmettitore di peso per barra DIN, con 2 IN e 2 OUT. Tastiera a 5 tasti, display a LED. Programma di pesatura multifunzione. |
| DGT1 a> | Trasmettitore di peso per barra DIN. Tastiera a 5 tasti, display a LED, orologio calendario, Alibi Memory e programma di pesatura multifunzione. |
| DGT4 a> | Trasmettitore per barra DIN a 4 canali, con 2 IN e 2 OUT. Tastiera a 5 tasti, display a LED e programma standard di pesatura. |
| DGTQ a> | Trasmettitore di peso da pannello, con 2 IN e 2 OUT. Tastiera a 5 tasti, display a LED e programma standard di pesatura. |